Microsystems Prototyping Laboratory
here.
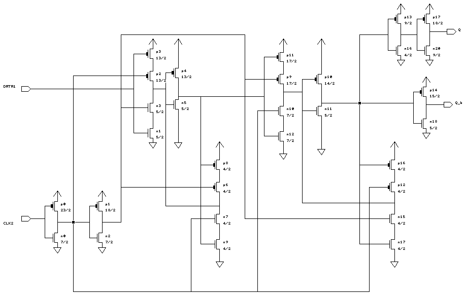
Q_b = Qn'
----------------------------- CLK D Q Q_b ----------------------------- h2l x DATA1 DATA1' l2h x Qn-1 Qn-1' -----------------------------
-------------------------------------------- Name X_loc Y_loc Capacitance (fF) lambda lambda 2U 1.2U 0.8U -------------------------------------------- CLK2 12.5 35 66.3 30.7 20.1 DATA1 49.5 45 49.0 23.3 14.5 Q 199 20 - - - Q_b 166 34.5 - - - --------------------------------------------