Microsystems Prototyping Laboratory


nanf251: A' NAND B


Gate Level Schematic of the standard cell "nanf251".


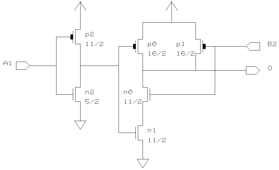
Schematic of the standard cell "nanf251" with device sizes in lambda.


Layout of the standard cell "nanf251"

here.


Logic Equation: O = (A1' * B2)'


Input(s): A1, B2


Output(s): O


Truth Table

-----------------
A	B	O
-----------------
0	0	1
0	1	0
1	0	1
1	1	1
-----------------


Terminal Location and Capacitance Table

--------------------------------------------
Name	X_loc	Y_loc	   Capacitance (fF)
	lambda  lambda   2U	1.2U	0.8U
--------------------------------------------
A1	10.5	24	45.5	21.5	13.6
B2	31	24	60.2	29.2	19.0
O	39	13.5	-	-	-
--------------------------------------------


Characterization Data