PART 3

MSI Based Design

In addition:
Will talk about synthesis and
how it can help such a design process












MSI_design.parts



AND gate

74LS377 register

74LS283 adder

74LS299 shift register

74LS157 multiplexer

74LS541 three-state


Control and data separation
Possible to synthesize control part
Multiplexed input/output
Includes bussing & multiplexing

MSI_design.multiplication

A: 1 0 0 1 *
B: 1 0 1 1

1 0 0 1
1 0 0 1
0 0 0 0
1 0 0 1

1 1 0 0 0 1 1













MSI_design.multiplication















MSI_design.control_and_data















MSI_design.control_and_data



USE WORK.q_utilities.ALL;
--
ENTITY shift_and_add IS
PORT ( clk : IN qit; databus : INOUT
wired_qit_vector( 7 DOWNTO 0 ) BUS := "ZZZZZZZZ";
start : IN qit; done : OUT qit );
END shift_and_add;
--
ARCHITECTURE structural OF shift_and_add IS
COMPONENT mult_data_path
PORT ( clr, selsum : IN qit;
databus : INOUT wired_qit_vector( 7 DOWNTO 0 ) := "ZZZZZZZZ";
clk, load_1opnd_bar, load_result_bar : IN qit;
sr_mode0, sr_mode1 : IN qit;
output_lsb_bar, output_msb_bar : IN qit_vector(1 DOWNTO 0);
mpy0 : OUT qit );
END COMPONENT;
FOR data : mult_data_path USE ENTITY WORK.mult_data_path (structural);
COMPONENT multiplier_controller
PORT ( clock, start, mpy0 : IN qit;
output_msb, output_lsb : OUT qit_vector (1 DOWNTO 0) := "11";
sr_mode0, sr_mode1 : OUT qit := '0';
load_result, load_1opnd : OUT qit := '1';
selsum, clear, done : OUT qit := '0' );
END COMPONENT;
FOR ctrl: multiplier_controller USE ENTITY
WORK.multiplier_controller(state_machine);
SIGNAL clr, selsum, mpy0, load_result_bar,load_1opnd_bar: qit;
SIGNAL sr_mode1, sr_mode0 : qit;
SIGNAL output_msb_bar, output_lsb_bar : qit_vector(1 DOWNTO 0);
BEGIN
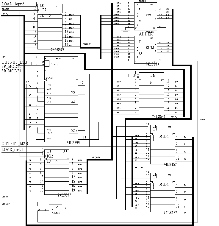
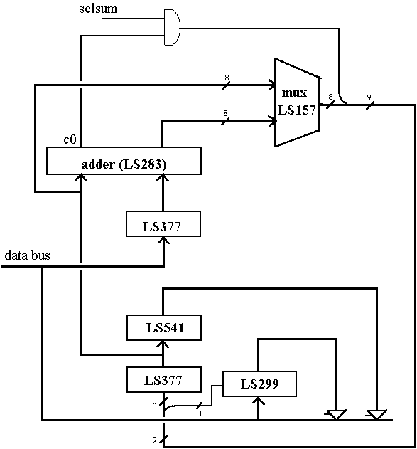
data: mult_data_path
PORT MAP ( clr, selsum, databus, clk, load_1opnd_bar, load_result_bar,
sr_mode1, sr_mode0, output_lsb_bar, output_msb_bar, mpy0 );
ctrl: multiplier_controller
PORT MAP ( clk, start, mpy0, output_msb_bar, output_lsb_bar,
sr_mode1, sr_mode0, load_result_bar, load_1opnd_bar,
selsum, clr, done );
END structural;













MSI_design.control_and_data















MSI_design.control_and_data



USE WORK.q_utilities.ALL;
ENTITY mult_data_path IS
PORT ( clr, selsum : IN qit;
databus : INOUT wired_qit_vector( 7 DOWNTO 0 ) := "ZZZZZZZZ";
clk, load_1opnd_bar, load_result_bar : IN qit;
sr_mode0, sr_mode1 : IN qit;
output_lsb_bar, output_msb_bar : IN qit_vector( 1 DOWNTO 0 );
mpy0 : OUT qit );
END mult_data_path;













MSI_design.control_and_data



ARCHITECTURE structural OF mult_data_path IS
COMPONENT and_gate
PORT ( i1, i2 : IN qit; o1 : OUT qit );
END COMPONENT;
FOR u9: and_gate USE ENTITY WORK.and2( fixed_delay );
COMPONENT reg_8
PORT ( clk, g_bar : IN qit; d8 : IN qit_vector( 7 DOWNTO 0 );
q8 : OUT qit_vector( 7 DOWNTO 0 ) );
END COMPONENT;
FOR u1,u3: reg_8 USE ENTITY WORK.ls377( dataflow );
COMPONENT adder
PORT ( c0 : IN qit; c4 : OUT qit; a4, b4: IN qit_vector( 3 DOWNTO 0 ) ;
s4 : OUT qit_vector( 3 DOWNTO 0 ) );
END COMPONENT;
FOR u4,u5: adder USE ENTITY WORK.ls283( behavioral );
COMPONENT transceiver
PORT ( g_bar : IN qit_vector( 1 DOWNTO 0 );
a8 : IN qit_vector( 7 DOWNTO 0 );
y8 : OUT qit_vector( 7 DOWNTO 0 ) );
END COMPONENT;
FOR u6: transceiver USE ENTITY WORK.ls541( dataflow );
COMPONENT multiplexer
PORT ( g_bar, s : IN qit; a4, b4 : IN qit_vector( 3 DOWNTO 0 );
y4 : OUT qit_vector( 3 DOWNTO 0 ) );
END COMPONENT;
FOR u7,u8 : multiplexer USE ENTITY WORK.ls157( dataflow );
COMPONENT shifter
PORT ( clk, clr_bar, lin, rin : IN qit;
mode1, mode0 : IN qit;
g_bar : IN qit_vector( 1 DOWNTO 0 );
qh, qa : OUT qit;
qq : INOUT wired_qit_vector( 7 DOWNTO 0 ) );
END COMPONENT;
FOR u2 : shifter USE ENTITY WORK.ls299( behavioral );
SIGNAL mcbus, hpbus : qit_vector ( 7 DOWNTO 0 ) := "ZZZZZZZZ";
SIGNAL sbus, reg_inp:qit_vector ( 7 DOWNTO 0 ) := "ZZZZZZZZ";
SIGNAL f : qit_vector( 8 DOWNTO 0 );
SIGNAL s8, c4 : qit; SIGNAL gnd : qit := '0'; SIGNAL vcc : qit := '1';
SIGNAL tr_out : qit_vector( 7 DOWNTO 0 ) := "ZZZZZZZZ";













MSI_design.control_and_data



BEGIN
-- bus connections --
reg_inp <= qit_vector( databus ); databus <= wired_qit_vector ( tr_out );
-- gate connections --
u9: and_gate PORT MAP ( s8,selsum, f( 8 ) );
-- register connections --
u1: reg_8 PORT MAP ( clk, load_1opnd_bar, reg_inp, mcbus );
u3: reg_8 PORT MAP ( clk, load_result_bar, f( 8 DOWNTO 1 ), hpbus );
u6: transceiver PORT MAP ( output_msb_bar, hpbus, tr_out );
-- connection of logical and register structures --
u4: adder PORT MAP ( gnd, c4, hpbus( 3 DOWNTO 0 ),
mcbus( 3 DOWNTO 0 ),sbus( 3 DOWNTO 0 ) );
u5: adder PORT MAP ( c4, s8, hpbus( 7 DOWNTO 4 ),
mcbus( 7 DOWNTO 4 ), sbus( 7 DOWNTO 4 ) );
u2: shifter PORT MAP ( clk ,vcc, gnd, f(0), sr_mode1, sr_mode0,
output_lsb_bar, mpy0, OPEN, databus );
u7: multiplexer PORT MAP ( clr, selsum, hpbus( 3 DOWNTO 0 ),
sbus( 3 DOWNTO 0 ), f( 3 DOWNTO 0 ) );
u8: multiplexer PORT MAP ( clr, selsum, hpbus( 7 DOWNTO 4 ),
sbus( 7 DOWNTO 4 ), f( 7 DOWNTO 4 ) );
END structural;













MSI_design.control_and_data
















MSI_design.control_and_data















MSI_design.control_and_data



ENTITY multiplier_controller IS
PORT ( clock, start, mpy0 : IN qit;
output_msb, output_lsb : OUT qit_vector (1 DOWNTO 0) := "11";
sr_mode0, sr_mode1 : OUT qit := '0';
load_result, load_1opnd : OUT qit := '1';
selsum, clear, done : OUT qit := '0' );
END multiplier_controller;













MSI_design.control_and_data



ARCHITECTURE state_machine OF multiplier_controller IS
TYPE states IS ( idle, init1, init2,
m1, m2, m3, m4, m5, m6, m7, m8,
result1, result2 );
SIGNAL present : states := idle;
BEGIN
PROCESS BEGIN
CASE present IS
WHEN idle => done <= '1'; WAIT UNTIL clock = '1';
IF start = '1' THEN present <= init1; ELSE present <= idle;
END IF;
WHEN init1 => clear <= '1'; load_result <= '0';
sr_mode0 <= '1'; sr_mode1 <= '1';
WAIT UNTIL clock = '1'; present <= init2;
WHEN init2 => load_1opnd <= '0';
WAIT UNTIL clock = '1'; present <= m1;
WHEN m1 | m2 | m3 | m4 | m5 | m6 | m7 =>
sr_mode0 <= '1'; sr_mode1 <= '0'; load_result <= '0';
IF mpy0 = '1' THEN selsum <= '1'; END IF;
WAIT UNTIL clock = '1'; present <= states'RIGHTOF(present);
WHEN m8 => sr_mode0 <= '1';
sr_mode1 <= '0'; load_result <= '0';
IF mpy0 = '1' THEN selsum <= '1'; END IF;
WAIT UNTIL clock = '1'; present <= result1;
WHEN result1 => output_lsb <= "00";
WAIT UNTIL clock = '1'; present <= result2;
WHEN result2 => output_msb <= "00";
WAIT UNTIL clock = '1'; present <= idle;
END CASE;
WAIT ON present'TRANSACTION;
done <= '0'; clear <= '0'; load_result <= '1';
load_1opnd <= '1'; selsum <= '0'; sr_mode0 <= '0';
sr_mode1 <= '0'; output_lsb <= "11"; output_msb <= "11";
END PROCESS;
END state_machine;













MSI_design.control_and_data















MSI_design.testing



USE WORK.q_utilities.ALL;
USE STD.TEXTIO.ALL;
ENTITY multiplier_tester IS END multiplier_tester;
ARCHITECTURE input_output OF multiplier_tester IS
COMPONENT multiplier_8_bit
PORT ( clk : IN qit; databus : INOUT wired_qit_vector(7 DOWNTO 0);
start : IN qit; done : OUT qit );
END COMPONENT;
FOR unit: multiplier_8_bit USE ENTITY WORK.shift_and_add (structural);
SIGNAL clock, start, done : qit;
SIGNAL data : wired_qit_vector (7 DOWNTO 0) := "ZZZZZZZZ";
BEGIN
unit: multiplier_8_bit PORT MAP (clock, data, start, done);
clk : clock <= NOT clock AFTER 1 US WHEN NOW < 140 US ELSE clock;
st : start <= '0','1' after 500 NS, '0' AFTER 5000 NS ;
read: PROCESS
FILE data_file : TEXT IS IN "data_in.dat";
VARIABLE l : LINE; VARIABLE data_buff1 : bit_vector(7 DOWNTO 0);
VARIABLE data_buff2 : qit_vector(7 DOWNTO 0);
BEGIN
WAIT UNTIL clock = '1';
IF start = '1' THEN READLINE ( data_file, l );
std.textio.READ (l, data_buff1);
data_buff2 := bit2qit(data_buff1);
data <= wired_qit_vector(data_buff2);
WAIT UNTIL clock = '0'; ELSE
data <= "ZZZZZZZZ";
END IF;
END PROCESS;
END input_output;













MSI_design.testing

ns+delta clock start done q8 iq data bus
0+0 0 0 0 ZZZZZZZZ ZZZZZZZZ ZZZZZZZZ
0+1 0 0 1 ZZZZZZZZ ZZZZZZZZ ZZZZZZZZ
500+0 0 1 1 ZZZZZZZZ ZZZZZZZZ ZZZZZZZZ
1000+0 1 1 1 ZZZZZZZZ ZZZZZZZZ ZZZZZZZZ
1000+1 1 1 1 ZZZZZZZZ ZZZZZZZZ 00101111
1000+2 1 1 0 ZZZZZZZZ ZZZZZZZZ 00101111
2000+0 0 1 0 ZZZZZZZZ ZZZZZZZZ 00101111
3000+0 1 1 0 ZZZZZZZZ ZZZZZZZZ 00101111
3000+1 1 1 0 ZZZZZZZZ 00101111 00111011
3007+0 1 1 0 00000000 00101111 00111011
4000+0 0 1 0 00000000 00101111 00111011
5000+0 1 0 0 00000000 00101111 00111011
5000+1 1 0 0 00000000 00101111 ZZZZZZZZ
6000+0 0 0 0 00000000 00101111 ZZZZZZZZ
7000+0 1 0 0 00000000 00101111 ZZZZZZZZ
7000+1 1 0 0 00000000 10010111 ZZZZZZZZ
7007+0 1 0 0 00011101 10010111 ZZZZZZZZ
8000+0 0 0 0 00011101 10010111 ZZZZZZZZ
9000+0 1 0 0 00011101 10010111 ZZZZZZZZ
9000+1 1 0 0 00011101 01001011 ZZZZZZZZ
9007+0 1 0 0 00101100 01001011 ZZZZZZZZ
10000+0 0 0 0 00101100 01001011 ZZZZZZZZ
11000+0 1 0 0 00101100 01001011 ZZZZZZZZ
11000+1 1 0 0 00101100 10100101 ZZZZZZZZ
11007+0 1 0 0 00110011 10100101 ZZZZZZZZ
12000+0 0 0 0 00110011 10100101 ZZZZZZZZ
13000+0 1 0 0 00110011 10100101 ZZZZZZZZ
13000+1 1 0 0 00110011 01010010 ZZZZZZZZ
13007+0 1 0 0 00110111 01010010 ZZZZZZZZ
14000+0 0 0 0 00110111 01010010 ZZZZZZZZ
15000+0 1 0 0 00110111 01010010 ZZZZZZZZ
15000+1 1 0 0 00110111 00101001 ZZZZZZZZ
15007+0 1 0 0 00111001 00101001 ZZZZZZZZ
16000+0 0 0 0 00111001 00101001 ZZZZZZZZ
17000+0 1 0 0 00111001 00101001 ZZZZZZZZ
17000+1 1 0 0 00111001 10010100 ZZZZZZZZ
17007+0 1 0 0 00011100 10010100 ZZZZZZZZ
18000+0 0 0 0 00011100 10010100 ZZZZZZZZ
19000+0 1 0 0 00011100 10010100 ZZZZZZZZ
19000+1 1 0 0 00011100 11001010 ZZZZZZZZ
19007+0 1 0 0 00101011 11001010 ZZZZZZZZ
20000+0 0 0 0 00101011 11001010 ZZZZZZZZ
21000+0 1 0 0 00101011 11001010 ZZZZZZZZ
21000+1 1 0 0 00101011 11100101 ZZZZZZZZ
21007+0 1 0 0 00010101 11100101 ZZZZZZZZ
21009+0 1 0 0 00010101 11100101 11100101
22000+0 0 0 0 00010101 11100101 11100101
23000+0 1 0 0 00010101 11100101 11100101
23000+3 1 0 0 00010101 11100101 ZZZZZZZZ
23007+1 1 0 0 00010101 11100101 00010101
24000+0 0 0 0 00010101 11100101 00010101
25000+0 1 0 0 00010101 11100101 00010101
25000+2 1 0 1 00010101 11100101 00010101
25000+4 1 0 1 00010101 11100101 ZZZZZZZZ
26000+0 0 0 1 00010101 11100101 ZZZZZZZZ
27000+0 1 0 1 00010101 11100101 ZZZZZZZZ















MSI_design.conclusions

1. Outline: Introduction, Organization, Outline

2. Review: Levels of abstraction, Entity and Architecture, Signal assignments, Guarded signal assignments, Three state bussing, Process statements, Combinational processes, Sequential processes, Multiplexing, Package

3. MSI Based Design: Use MSI parts of Part 2, Sequential multiplication, Designing the multiplier, Control and data parts, Testing the multiplier

4. General CPU Description: Will present a high level VHDL description of a small CPU. The CPU, Memory organization, Instructions, Addressing, Utilities for VHDL description, Interface, Behavioral description, Coding individual instructions

5. Manual Data_path Design: Will present VHDL description for manual design of data_path. Data components, Bussing structure, Description of logic, Description of registers, Bus resolutions, Component wiring

6. Manual Controller Design: Will present VHDL description for manual design of controller. Controller hardware, VHDL style, Signals and resolutions, State descriptions, Complete CPU, Testing CPU

7. Synthesis: Main concepts, Structural synthesis, Combinational circuits, Functional registers, State machines

8. Behavioral_Synthesis: Will present a high level synthesizable CPU description. Synthesis style, Necessary Package, Interface, General Layout, Registers, Clocking, Sequencing, Simulation and Synthesis

9. Dataflow_Synthesis: Will partition the CPU and synthesize each part separately. Synthesis style, Controller, Data components, Data path, Synthesized example, Conclusions





to the top of the document